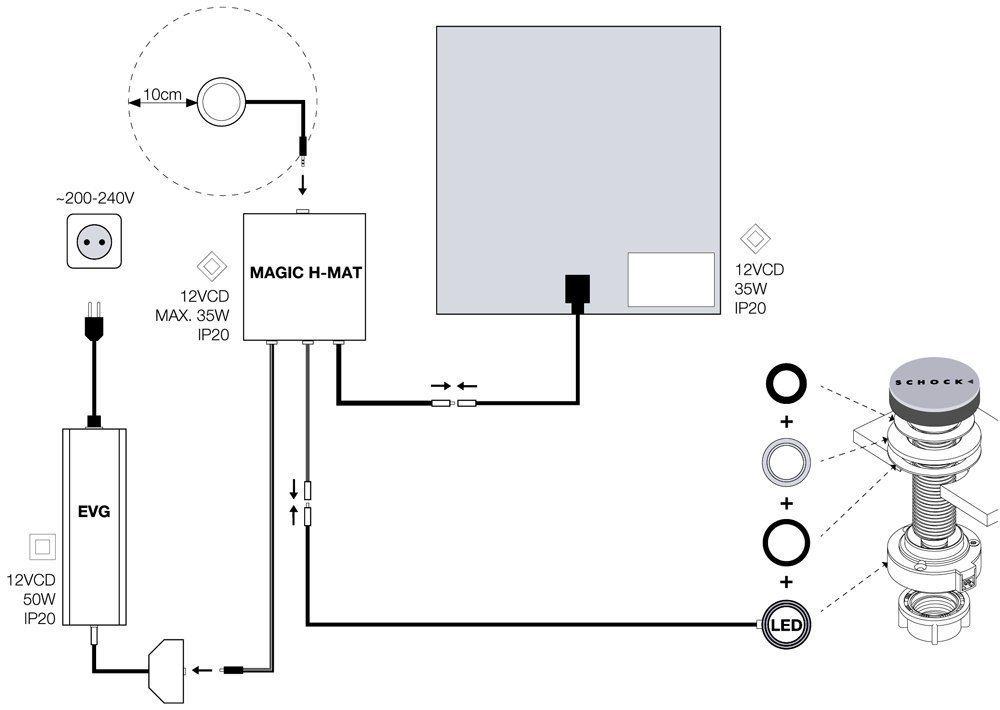
Схема для аксессуара Schock 629100

Сохранить файл: Схема для аксессуара Schock 629100JPG, 56.70 Кб
Схема для аксессуара Schock 629100
destination picture
Фирменный Шоурум High Level в МосквеРублевское шоссе, дом 52а, ТЦ «Casa Ricca Expo», 3 эт.
destination route