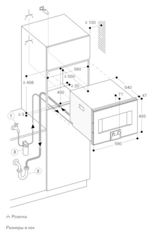
Схема для духового шкафа Gaggenau BS471112

Сохранить файл: Схема для духового шкафа Gaggenau BS471112JPG, 19.42 Кб
Схема для духового шкафа Gaggenau BS471112
destination picture
Фирменный Шоурум High Level в МосквеРублевское шоссе, дом 52а, ТЦ «Casa Ricca Expo», 3 эт.
destination route